|
 |
«ЛОГИКА»: аннотации |
|
Стенд поверочный СКС6 |
| Назначение и область применения
Стенд является специализированным средством измерений, предназначенным
для поверки и контроля приборов СПТ941, СПТ961, СПГ741, СПГ761-763,
СПЕ542.
Использование стенда в поверочных схемах позволяет отказаться
от применения дорогостоящих универсальных средств измерений: калибраторов
тока, вольтметров, образцовых катушек и магазинов сопротивлений,
генераторов импульсов, частотомеров.
При работе под управлением компьютера стенд обеспечивает автоматизацию
выполнения рутинных операций поверки.
Сведения о сертификации
Стенд СКС6 зарегистрирован в Госреестре средств измерений РФ под
№ 17567-98. Сертификат об утверждении типа № 5274.
Функциональные возможности
Для поверки и контроля приборов стенд способен формировать ряд выходных
сигналов постоянного тока, сопротивления и частоты, генерировать
импульсные пакеты, измерять период входной импульсной последовательности
и контролировать состояние двухпозиционных сигналов.
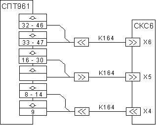
Для соединения стенда с поверяемым прибором используются специальные
коннекторы (соединительные кабели), номенклатура которых в каждом
случае определятся типом поверяемого прибора, как это проиллюстрировано
на приведенном ниже рисунке.
Управление режимами работы стенда осуществляется с клавиатуры лицевой
панели, служебные сообщения отображаются на встроенном табло.
Стенд оснащен оптическим коммуникационным портом, через который,
посредством адаптера АПС70, осуществляется связь с персональным
компьютером. Последний в этом случае может брать на себя полное
управление работой стенда, используя установленный набор команд.
Описание протокола обмена предоставляется по запросу.
В качестве источников выходных сигналов стенд содержит:
- четыре пары генераторов тока I, для каждой из которых могут
быть установлены значения: 0,025; 1,0; 2,5; 4,0; 5,0; 10,0;
15,0; 20,0 мА. Каждый генератор допускает работу с сопротивлением
нагрузки от нуля до 425 Ом;
- генератор сопротивления R, имитирующий четырехвыводной резистор
с электронной перестройкой, позволяющей выбрать любое значение
из ряда: 51,0; 79,7; 95,1; 110,4; 125,8; 141,2; 232,0; 673,3
Ом. Предельная величина тока, протекающего через резистор (источник
этого тока - поверяемый прибор), составляет 10 мА;
- два генератора частоты F, которые могут быть переведены в
режим формирования пакетов импульсов. В режиме генерации непрерывных
импульсных последовательностей возможен выбор значений: 0,610351;
1,220703; 2,441405; 4,882812; 9,765625; 19,53125; 78,125; 312,5;
1250,0; 10000,0 Гц. Количество импульсов в пакете может быть
задано из ряда: 16; 64; 256; 1024; 2048; 7200; 9192; 18384;
65535. Выходные цепи генераторов выполнены по схеме с открытым
коллектором. Предельное коммутируемое напряжение - 36 В, ток
- 400 мА, остаточное напряжение в состоянии "замкнуто" - не
более 1,1 В при токе 20 мА, ток утечки в состоянии "разомкнуто"
- не более 0,1 мА.
Для измерения и контроля стенд имеет:
- вход измерения периода следования импульсов в диапазоне от
0,1 до 3200 мс. Этот вход рассчитан на прием прямоугольных импульсов
положительной полярности амплитудой от 8 до 15 В, а также дискретных
сигналов "замкнуто/разомкнуто" с параметрами: остаточное напряжение
в состоянии "замкнуто" - не более 1,5 В при токе 2 мА, ток утечки
в состоянии "разомкнуто" - не более 0,5 мА при напряжении 18
В.
- девять специальных входов, которые обеспечивают контроль состояния
двухпозиционных сигналов "замкнуто/разомкнуто" с характеристиками:
остаточное напряжение в состоянии "замкнуто" - не более 2,5
В при токе 4 мА, ток утечки в состоянии "разомкнуто" - не более
0,1 мА при напряжении 18 В.
На рисунке приведен пример использования стенда в схеме поверки
тепловычислителя.
|
|
|
|
 |
Поиск |
|
|
 |
Контакты |
|
Киев,
Котельникова 37А, оф. №1, 2
тел: (044) 569-42-69,
569-42-79,
569-42-80,
496-61-74 |
|
 |
Производители |
|
|
 |
|