|
 |
Katra: Автоматизированные тепловые пункты |
|
Автоматизированные тепловые пункты и пункты
подготовки горячей воды
Автоматизированные тепловые пункты – это
составная часть предлагаемой комплексной системой
отопления, предназначенная для эффективной регулировки
тепловой энергии в соответствии с температурой наружного
воздуха и нуждами потребителя:
- в жилых домах
- в зданиях общественного назначения
- в зданиях
производственного
назначения.
Возможности регулирования и
преимущества:
- Возможность сберечь до 20 % тепловой энергии
- Поддержание температуры помещений по желанию
потребителя, в зависимости от температуры наружного воздуха
посредством регулировки температуры теплоносителя
- Автоматическое снижение температуры помещений в ночное
время до температуры по желанию потребителя
- Автоматическое снижение температуры помещений до
температуры по желанию потребителя в выходные дни (в школах,
поликлиниках, административных зданиях и т.п.)
- Обеспечение режима потребления тепла по желанию
потребителя вне зависимости от температурного графика
поставщика тепла
- Защита от замерзания обогревательных систем
- Управление циркуляционными насосами, технологическое
включение регулирующих приборов не в отопительный сезон
- Возможность внедрения систем диспетчеризации и
телеметрии для считывания параметров и их управления
дистанционным способом
- Конструкция, адаптированная к типовым жилым зданиям
- Компактные, изготовленые серийным способом
Модификации:
ЗАО «Катра» внедряет автоматизированные тепловые пункты,
как со стандартными приборами автоматизированного управления
тепловых пунктов, так и с установками дистанционного
управления и передачи данных, с применением типовых схем
тепловых пунктов:
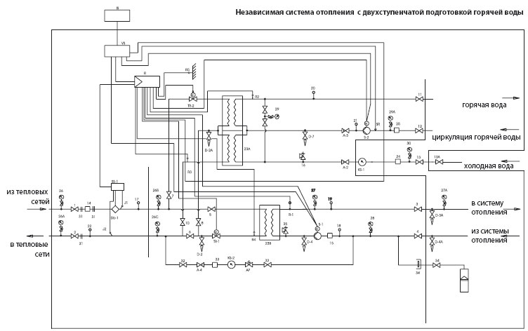
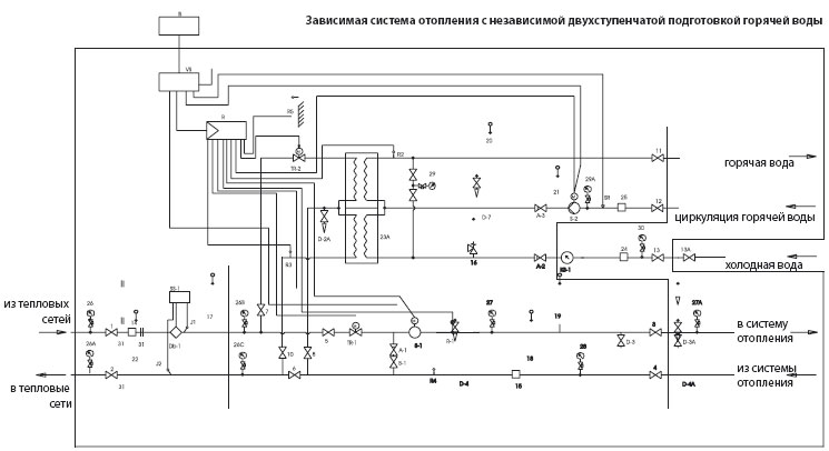
- Автоматизированный тепловой пункт с одно-двухступенчатой
системой подготовки горячей воды
- Автоматизированный тепловой пункт для независимой (или
зависимой) системы отопления
- Автоматизированный тепловой пункт для независимой (или
зависимой) системы отопления и системы горячей воды с
одноступенчатой или двухступенчатой подготовкой горячей воды
- Автоматизированный тепловой пункт для других систем –
для вентиляционных, технологических потребностей и пр.
Типовые схемы тепловых пунктов:
Комплектация оборудования тепловых
пунктов:
В производстве и внедрении тепловых пунктов ЗАО «Катра»
применяет изделия не только собственного производства, но и
признанных производителей Западной Европы:
- Приборы автоматического регулирования тепла и
автоматического управления – Siemens, Danfoss
- Пластинчатые теплообменники – Alfa Laval, Danfoss, WTT
- Циркуляционные насосы – Grundfos, Wilo
- Запорную арматуру – Naval, Vexve
- Теплоизоляцию
- Контрольно-измерительные приборы
Форма заказа:
Документация:
|
|
|
 |
Поиск |
|
|
 |
Контакты |
|
Киев,
Котельникова 37А, оф. №1, 2
тел: (044) 569-42-69,
569-42-79,
569-42-80,
496-61-74 |
|
 |
Производители |
|
|
 |
|