|
 |
Katra: Теплосчётчики ультразвуковые |
|
Счётчики количества тепла ультразвуковые
SKU-01
Предназначены для измерения и учёта
теплоносителя в системах теплоснабжения закрытого типа,
а также для измерения и учёта тепловой энергии,
протекающей и потребленной воды в системах
теплоснабжения открытого типа. Могут использоваться для
измерения количества различных жидкостей. Применяются
для измерения и учёта количества потреблённого тепла и
воды в жилых домах, на предприятиях, в организациях и
пр. Подходит также для измерения и учёта количества
поставляемой тепловой энергии и воды в котельных и
других пунктах
снабжения.
Функции и преимущества:
- Отсутствие движущихся частиц на
измерительном участке, малые потери давления, широкий
диапазон измерения.
- Устойчивы к воздействию внешнего магнитного поля.
- Нечувствительны к загрязнению воды, к
колебаниям температуры жидкости.
- В случае неисправности учитывается
нерабочее время и индицируется код неисправности.
- Первичный преобразователь расхода может
устанавливаться в подающем или в обратном
трубопроводе.
- Основные параметры суммируются с начала
эксплуатации. Их значения фиксируются в последний день
отчётного месяца. Глубина архивации среднечасовых и
среднесуточных параметров за последние 12 месяцев.
- Возможность вывода данных посредством
интерфейса последовательной связи на компьютер или принтер,
дистанционный сбор информации посредством переносного пульта
и передача информации с помощью модема.
- Параметры (измеряемые и статистические) и
данные программирования сохраняются не менее 10
лет.
Модификации:
Технические данные:
Технические данные первичных преобразователей
расхода:
Габаритные размеры:
Габаритные и установочные размеры электронного
блока счетчика:
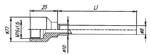
Термопреобразователь:
Защитная гильза:
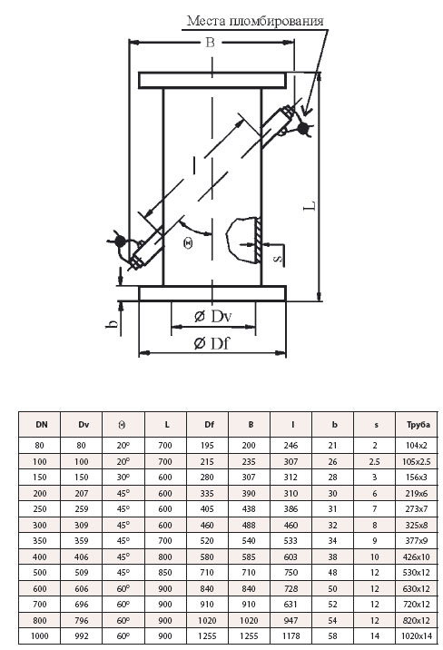
Габаритные размеры первичных преобразователей
расхода:
Информация для заказов:
Документация:
Програмы:
|
|
|
 |
Поиск |
|
|
 |
Контакты |
|
Киев,
Котельникова 37А, оф. №1, 2
тел: (044) 569-42-69,
569-42-79,
569-42-80,
496-61-74 |
|
 |
Производители |
|
|
 |
|