Навигация
Новости
Продукция
Лицензии
Вопросы и ответы
Статьи
Представитель
Наши партнеры
Контакты
Новости
 
Katra: Теплосчетчики SKS-3

Преобразователи расхода жидкости электромагнитные SDM-1

Предназначены для измерения расхода электропроводной жидкости, протекающей в закрытом трубопроводе, и преобразования в пропорциональный ему нормированный электрический сигнал. Вместе с вычислителем, обладающим нормированным входом, могут использоваться для измерения количества различных протекающих жидкостей (в теплосчётчиках или системах учёта). Используются для измерения и учёта различных протекающих жидкостей, с удельной электропроводимостью не менее 5x10-4 См/м. Могут применятся для учета потребленного тепла и воды (в составе счетчиков жидкости или теплосчетчиков) в жилых домах, на предприятиях, в организациях и т.д., а также для учета поставляемого тепла и воды в кательнях и в других пунктах теплоснабжения.

 Технические данные:

  • По метрологическим характеристикам преобразователь расхода жидкости соотвествует классу 2 (или 1) по EN 1434, классу В (или С) по ГОСТ Р 51649-2000.
  • Температура измеряемой среды - от 0 oC до 150 oC.
  • Предусмотрен режим авто диагностики.
  • Предусмотрено автоматическое опознание теплоносителя (жидкости) в трубопроводе.

Относительные погрешности при измерении и преобразовании расхода и обьема в выходные сигналы, в зависимости от класса точности преобразователя, значения расхода и от максимального расхода представлены в таблице:

   
  • При отдельном заказе, преобразователи расхода могут дополнительно комплектоваться выходом расхода и интерфейсом последовательной связи.
  • Измеряемая среда – жидкость с удельной электропроводимостью не менее 5x10-4 См/м.
  • Питание преобразователя осуществляется от сети переменного тока напряжением (220 + 22/-33) В, частотой (50±1) Гц (по отдельному заказу –24 В или 36 В (+10.-15) %.
  • Потребляемая мощность, не более 10 VA.
  • Срок установки рабочего режима не свыше 15 мин.
  • Длины прямых участков трубопровода (внутренный диаметр которого не должен отличатся от условного диаметра преобразователя DN более чем ± 4 %) до и после преобразователя расхода должный быть:
    • Для преобразователей 2 класса точности: - до преобразователя– не менее 3 DN - после преобразователя – не менее 1 DN.
    • Для преобразователей 1 класса точности: - до преобразователя – не менее 5 DN - после преобразователя – не менее 3 DN. 
  • Средний срок службы не менее 12 лет.
  • Условия эксплуатации преобразователя: 
    • температура окружающей среды от 5 oC до 55 oC. 
    • относительная влажность воздуха до 93 %. 
    • атмосферное давление от 86 кПа до 106.7 кПа. 
    • температура измеряемой среды от 0 oC до 150 oC. 
    •  давление измеряемой среды, не более 1.6 МПа.
  • Степень защиты IP65.
  • Преобразователи расхода устойчивы к воздействию внешнего магнитного поля до 400 A/м.

  Масса преобразователей расхода SDM-1, в зависимости от условного диаметра:

 

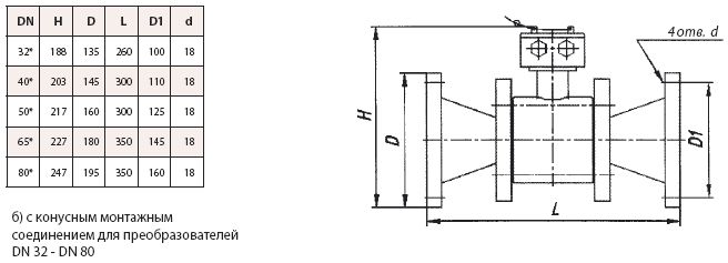
 Габаритные размеры:

 

Габаритные, установочные и присоединительные размеры преобразователей расхода жидкости SDM-1 (без монтажного комплекта)

   

Габаритные, установочные и присоединительные размеры преобразователей расхода жидкости SDM-1 с резьбовым и сварным монтажным соединением (по EN 1434-2)

         

Габаритные, установочные и присоединительные размеры преобразователей расхода жидкости SDM-1 с фланцевым монтажным соединением (по EN 1434-2) 

 Документация:

Поиск
Контакты
Киев,
Котельникова 37А, оф. №1, 2
тел: (044) 569-42-69,
569-42-79,
569-42-80,
496-61-74
Производители
 
Йокогава
 
Паркер
 
UWT
 
Вика
 
Катра
 
Логика
 
СенсорикаТеплоприбор
 
Аналитприбор
 
 
© 2006 ООО "Союз-Прибор". Все права защищены.
Разработка и создание сайта