|
 |
Katra: Приборы учета воды |
|
Cчётчики горячей воды большого диаметра WS
Предназначены для измерения и учёта
горячей воды. Применяются в административных зданиях,
промышленных предприятиях и в других организациях, где
имеются большие колебания количества расхода горячей
воды.
Функции и преимущества:
- «Сухого» типа: с водой контактирует лишь
одна деталь – крыльчатка.
- Устанавливаются в горизонтальном
положении.
- Надёжные и долговечные.
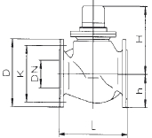
Габаритные размеры:
Потери давления:
Информация для заказов:
|
|
|
 |
Поиск |
|
|
 |
Контакты |
|
Киев,
Котельникова 37А, оф. №1, 2
тел: (044) 569-42-69,
569-42-79,
569-42-80,
496-61-74 |
|
 |
Производители |
|
|
 |
|