|
 |
Katra: Приборы учета воды |
|
Cчётчики горячей воды MTW, MTWI
Предназначены для измерения и учёта
горячей воды. Предусмотрены модификации счётчика с
установленым импульсным датчиком для дистанционного
снятия показаний – это входные счётчики горячей воды
MTWI.
Функции и преимущества:
- Многоструйные счётчики горячей
воды.
- Устойчивы к воздействию внешнего
магнитного поля.
- Устанавливаются в горизонтальном
положении.
- Защищены от наружного воздействия влаги и
пыли.
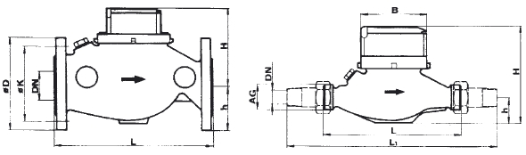
Габаритные размеры:
Потери давления:
Информация для заказов:
|
|
|
 |
Поиск |
|
|
 |
Контакты |
|
Киев,
Котельникова 37А, оф. №1, 2
тел: (044) 569-42-69,
569-42-79,
569-42-80,
496-61-74 |
|
 |
Производители |
|
|
 |
|