|
 |
Katra: Приборы учета воды |
|
Счётчики холодной воды MNK-RP
Предназначены для измерения и учёта воды с
повышенным количеством
железа.
Функции и преимущества:
- Счётчики состоят из латунного корпуса, в котором
устновлена вращающаяся крыльчатка и счетный механизм.
- Вода поступает в корпус и вращает крыльчатку.
Вращательное движение передаётся на счетный механизм.
- Надёжные и долговечные.
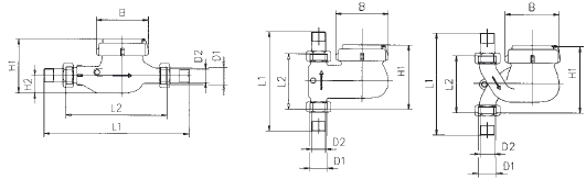
Габаритные размеры:
 Потери давления:
Информация для заказов:
|
|
|
 |
Поиск |
|
|
 |
Контакты |
|
Киев,
Котельникова 37А, оф. №1, 2
тел: (044) 569-42-69,
569-42-79,
569-42-80,
496-61-74 |
|
 |
Производители |
|
|
 |
|