|
 |
Katra: Приборы учета воды |
|
Счётчики холодной воды MNK
Предназначены для измерения и учёта холодной
воды.
Функции и преимущества:
- Многоструйные, счётчики «мокрого» типа.
- Счётчики состоят из латунного корпуса, в
котором устновлена вращающаяся крыльчатка и счетного
механизма.
- Надёжные и долговечные.
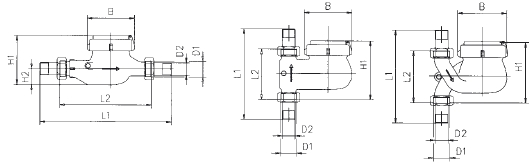
Габаритные размеры:
Потери давления:
Информация для заказов:
|
|
|
 |
Поиск |
|
|
 |
Контакты |
|
Киев,
Котельникова 37А, оф. №1, 2
тел: (044) 569-42-69,
569-42-79,
569-42-80,
496-61-74 |
|
 |
Производители |
|
|
 |
|