|
 |
Katra: Приборы учета воды |
|
Счётчики холодной воды MTK, MTKI
 Предназначены для измерения и учёта
холодной воды. Подходят к применению в условиях
меняющегося качества воды, например, если в воде имеются
примеси песка. Предусмотрена модификация счётчика MTKI,
с установленным датчиком для постоянного снятия
показаний.
Функции и преимущества:
Счётчики состоят из латунного корпуса, в котором
установлена вращающаяся крыльчатка, и счетного механизма.
- Многоструйные счётчики «сухого» типа.
- Поток воды поступает в измерительную полость корпуса и
вращает крыльчатку. Вращательное движение посредством
магнитной муфты передаётся на счетный механизм, который
находится в «сухой» зоне.
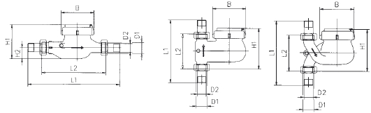
Габаритные размеры:

Потери давления:
Информация для заказов:
 |
|
|
 |
Поиск |
|
|
 |
Контакты |
|
Киев,
Котельникова 37А, оф. №1, 2
тел: (044) 569-42-69,
569-42-79,
569-42-80,
496-61-74 |
|
 |
Производители |
|
|
 |
|